September – Dezember 2025
📆 September (KW 36–39): Reinigung, Lackierung, Motorzerlegung
Zusätzliche Reparatur Anleitungen:
X8632_1986_GMC_Light_Duty_Truck_CK_G_P_10_to_30_Service_Manual.pdf (Service manual)
ST_330_87_1987_Chevrolet_Light_Duty_Truck_Service_Manual.pdf (Service manual)
ST_330_81_1981_Chevrolet_Light_Duty_Truck_10_to_30_Service_Manual.pdf (Klimaanlage)
1986-Chevrolet-Trucks-Fact-Book.pdf (verkaufsbuch)
-
KW 36 (01.–07.09.)
-
Projektstart: Alles abbauen & beschriften
-
Motor vollständig zerlegen & Sichtprüfung
- GM Service Manual for the 6-2 Liter Diesel Engine Part1.pdf
- GM Service Manual for the 6-2 Liter Diesel Engine Part2 (1).pdf
- GM Service Manual for the 6-2 Liter Diesel Engine Part3.pdf
- ST37182_Chevrolet_Diesel_Fuel_Systems_Manual.pdf
-
Rahmen, Achsen, Träger vorbereiten zur Laserreinigung
-
-
KW 37 (08.–14.09.)
-
Laserreinigung durchführen
-
Motorblock, Kurbelwelle, Kopf auf Schäden prüfen
- Beide pdfs sind dafür da um montage für motor und den rest zu organiesieren
- chevy (link)
- ccComplete.pdf
- CP_Cat5.pdf
-
Teile bestellen (Motorlager, Kolbenringe, Bremsleitungen etc.)
-
-
KW 38 (15.–21.09.)
-
Rahmen + Achsen + Halter lackieren (2K oder Brantho Korrux)
-
Fahrwerksteile vorbereiten (Federn, Dämpfer reinigen & lackieren)
-
Kopf überholen (Ventile einschleifen, neue Schaftdichtungen)
-
-
KW 39 (22.–28.09.)
-
Fahrwerk aufbauen: Achsen, Federn, Bremsleitungen
-
Motorblock aufbauen: Lager, Kolben, Kopf
-
Tank montieren
-
📆 Oktober (KW 40–43): Motor & Karosserieaufbau
-
KW 40 (29.09.–05.10.)
-
Motor komplettieren & auf Rahmen setzen
-
Getriebe + VTG montieren
-
Kabine aufsetzen
-
-
KW 41 (06.–12.10.)
-
Kotflügel, Frontmaske, Kühler, Haube montieren
-
Innenraum vorbereiten (Lenkung, Pedale, Kabelbaum)
-
-
KW 42 (13.–19.10.)
-
Türen einbauen, Ladefläche montieren
-
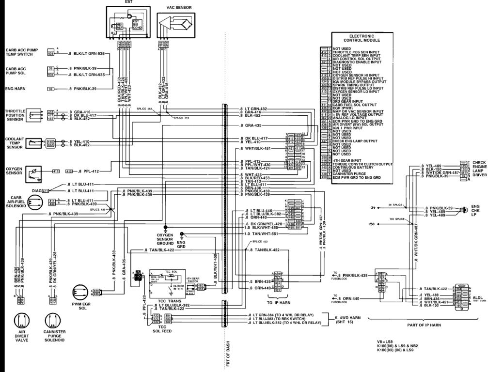
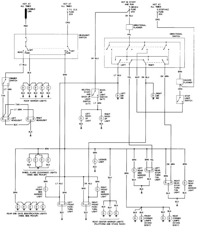
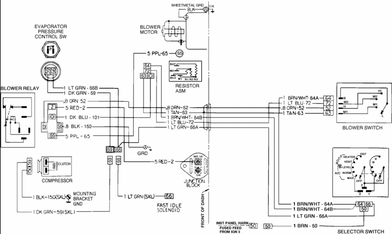
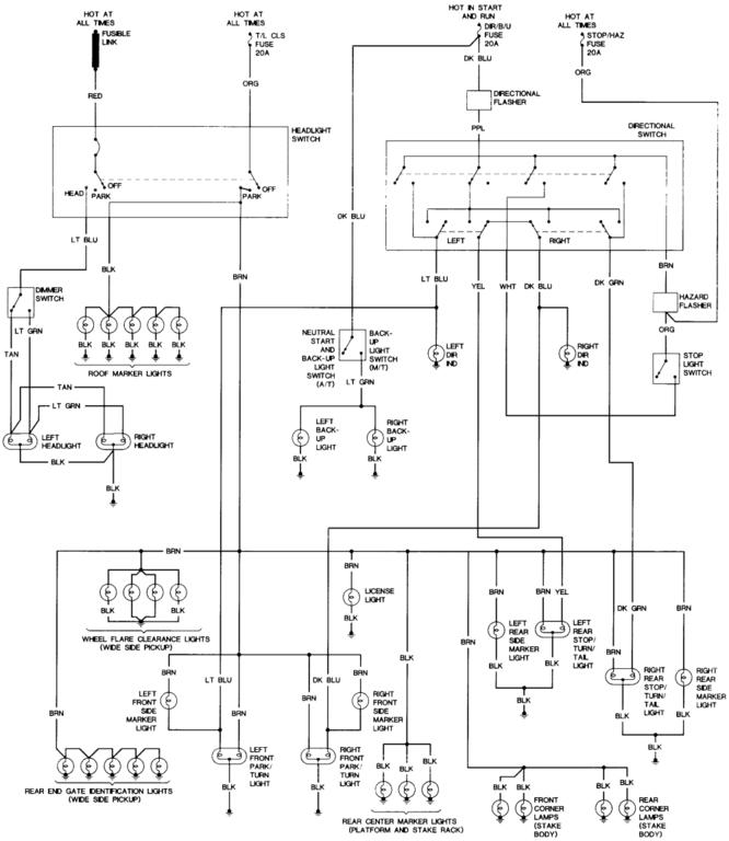
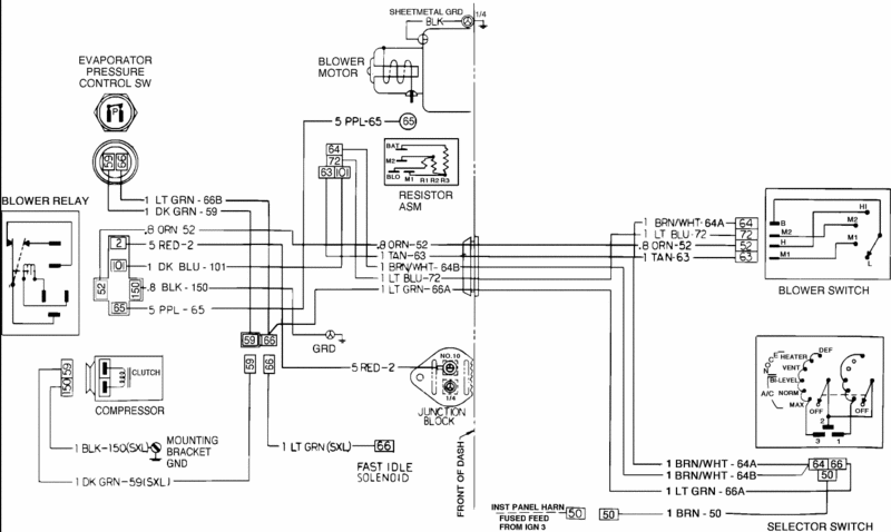
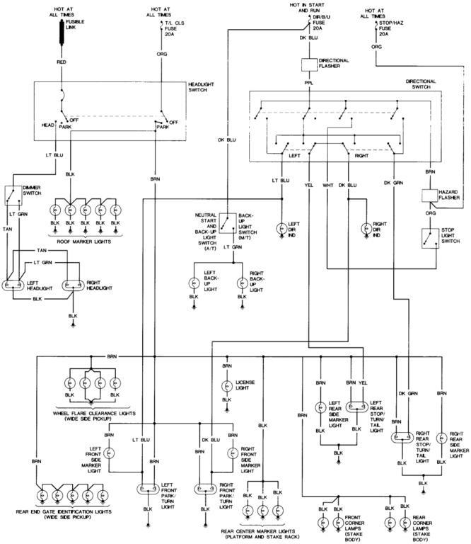
Elektrik: Kabelbaum Motorraum & Innenraum
- aww-510706.pdf (Keine Vorschau Möglich)
- ST_352_85_1985_Chevrolet_GMC_Light_Truc_Wiring_Manual_CK_10_30_Only.pdf (Keine vorschau Möglich)
- 700R4 Lockup Wiring Diagram.gif
- Engine Wiring Diagram.pdf (Keine vorschau möglich)
- 41925814.jpg
- Lighting Wiring Diagram.jpg
- Heat AC Wiring Diagram.gif
- tcc-1.jpg
-
-
KW 43 (20.–26.10.)
-
Motorverkabelung, Masseverbindungen, Sicherungskasten
-
Vorbereitung Motorstart (Öl, Kühlwasser, Zündung einstellen)
-
📆 November (KW 44–47): Feinarbeiten, Innenraum, Tests
-
KW 44 (27.10.–02.11.)
-
Armaturenbrett, Sitze, Türverkleidungen montieren
-
Scheiben einsetzen (Front & Heck)
-
-
KW 45 (03.–09.11.)
-
Auspuffanlage montieren
-
Flüssigkeiten befüllen, erster Motorstart & Leerlauf einstellen
-
-
KW 46 (10.–16.11.)
-
Bremsen entlüften & Testlauf Bremsanlage
-
Erste Probefahrt intern
-
-
KW 47 (17.–23.11.)
-
Letzte Justierungen: Zündung, Vergaser, Spaltmaße
-
Unterbodenschutz & Konservierung
-
📆 Dezember (KW 48–52): H-Zulassung & Finale
-
KW 48 (24.–30.11.)
-
Doku für H-Abnahme vorbereiten (Fotos, Teileliste, Rechnungen)
-
-
KW 49 (01.–07.12.)
-
TÜV-Termin: §21 + H-Abnahme durchführen
-
-
KW 50–52 (08.–28.12.)
-
Letzte kleine Nacharbeiten
-
Embleme, Zierleisten, Finish
-
🎉 Abschluss & erste richtige Fahrt vor Silvester
-





